INFO@MEHPRIVOD.RU
ООО Мехтехника
Тел.: 8 (800) 505-36-88

Электродвигатели Siemens типа 1MG7

Электродвигатели Siemens типа 1MG7

Электродвигатели Siemens серии 1MG7 взрывозащищенной конструкции (ЕЕxdellCT4) (схема электродвигателя представлена ниже), производятся мощностью от 18,5 кВт до 200 кВт и габаритами от 225 до 315. Электродвигатели Siemens 1MG7 могут быть монтированы в местах, которые характеризуются наличием опасных условий. Эта возможность достигается за счет взрывозащищенной модификации электродвигателя и его высокого качества сборки, которое подтверждается на каждом этапе производства внедрением специальной проверяющей системы. Применение искрогасителей обеспечивает беспроблемную эксплуатацию электродвигателей в условиях, в которых бы приборы других производителей вышли из строя и потребовали бы технического обслуживания на порядок быстрее. Широкий диапазон мощностей гарантировано удовлетворит требования любого покупателя/заказчика, в какой бы сфере промышленности не планировалось использование электродвигателя Siemens 1MG7.

Цена: по запросу заказчика

Общее описание:

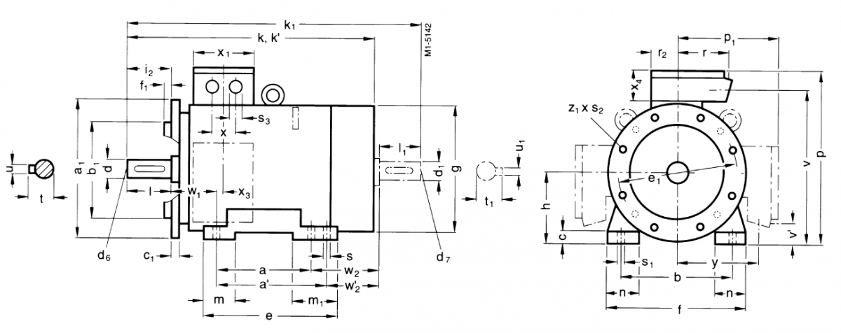
Габаритные и присоединительные размеры (лапы, 225S-315L) 

РИС 1. Габаритные и присоединительные размеры (лапы, 225S-315L)

Габарит

P

B

a

B?

a?

A

b

HA

c

BB

e

AB

f

AC

g1)

H

h

AQ

j

L

k

L

k2)

LC

k31)

LM

k2

LM

k22)

BA

m

BA

m1

AA

n

HD

p

AD

p1

AG

r

AS

r2

225S

…220

4 и 8

286*

311

356

34

361

436

470

225

425

835

-

954

935

-

85

110

80

600

375

155

100

225M

…223

2

4 или 8

286

311*

356

34

361

436

470

225

425

805

835

855

-

924

954

905

935

955

-

85

110

80

600

375

155

100

250M

…253

2

4 или 8

349

-

406

42

409

506

520

250

470

930

1010

-

1050

1080

1030

1110

-

100

100

100

715

465

200

120

280S

…280

2

4 или 8

 

368

 

419

457

42

479

557

575

280

525

1005

1080

-

1155

1155

1115

1230

100

151

100

770

490

200

120

280M

…283

2

4 или 8

368

419

457

42

479

557

575

280

525

1005

1080

-

1260

1290

1115

1230

100

151

100

770

490

200

120

315S

…310

2

4 или 8

406

457

508

52

527

628

645

315

590

1110

1140

1185

-

1260

1290

1220

1250

1295

-

125

171

120

870

555

250

135

315M

…313

2

4 или 8

406

457

508

52

527

628

645

315

590

1110

1140

1185

-

1260

1290

1220

1250

1295

-

125

171

120

870

555

250

135

315L

…316

…317

…318

2

508

-

508

52

527

628

645

315

590

1250

1280

1280

1325

-

-

1400

1430

1430

1360

1390

1390

1435

-

-

120

120

120

870

555

250

135

4 или 8

6 и 8

ТАБЛИЦА 1.

Габарит

K

s

K

S1

O

S3

HB

V

HB?

V?

C

W1

CA

W12

CA

W2

BE

X

LL

X1

BC

X3

HK

X4

AG

Y

D

d

DB

d6

E

I

GA

t

F

u

DA

d1

DC

d7

EA

I1

GC

t1

FA

u1

225S

19

25

M50*1.5

540

70

149

269

-

85

197

25

148

320

60

M20

140

64

18

55

M20

110

59

16

225M

19

25

M50*1.5

540

70

149

-

244

85

197

25

148

320

 

55

60

M20

110

140

59

64

16

18

48

55

M16

M20

110

51.5

59

14

16

250M

24

30

M63*1.5

620

50

168

283

-

95

234

39

193

385

 

60

65

M20

140

64

69

118

55

60

M20

110

140

59

64

16

18

280S

24

30

M63*1.5

675

80

190

317

-

95

234

30

193

410

 

65

75

M20

140

69

79.5

18

20

60

65

M20

140

64

69

18

280M

24

30

M63*1.5

675

80

190

-

266

95

234

30

193

410

65

75

M20

140

69

79.5

18

20

60

65

M20

140

64

69

18

315S

28

35

M63*1.5

750

65

216

358

-

90

266

32

225

475

65

80

M20

140

170

69

85

18

22

60

65

M20

140

64

74.5

18

20

315M

28

35

M63*1.5

750

65

216

-

307

90

266

32

225

475

65

80

M20

140

170

69

85

18

22

60

70

M20

140

64

74.5

18

20

315L

28

35

M63*1.5

750

65

216

396

-

90

266

32

225

475

65

80

80

M20

140

170

170

69

85

85

18

22

22

60

70

70

M20

140

64

74.5

74.5

18

20

20

ТАБЛИЦА 2.

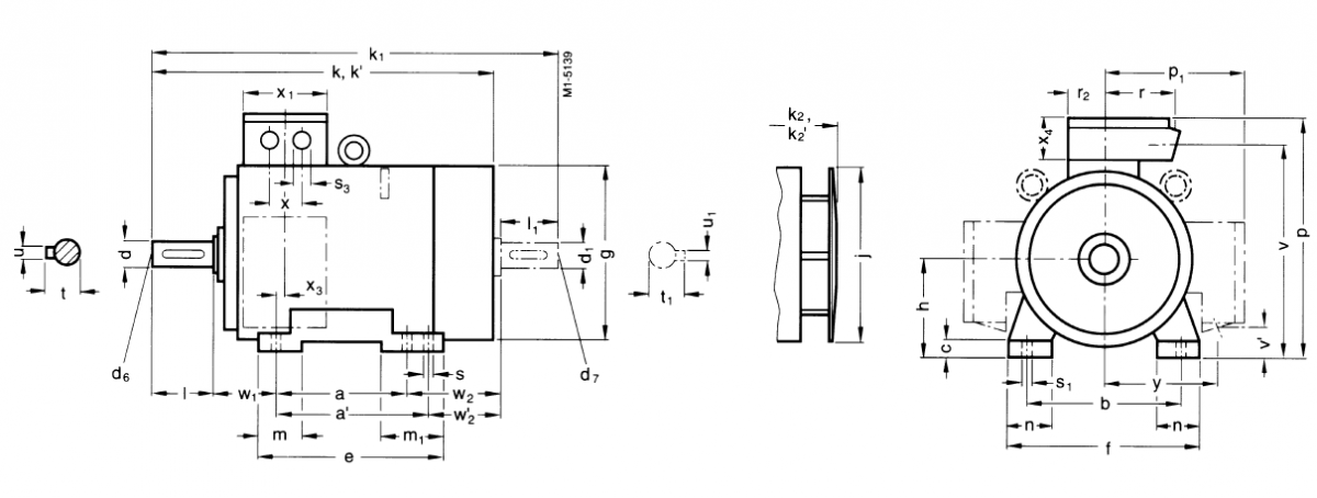
Габаритные и присоединительные размеры (фланец. 225S-315M)

РИС 2. Габаритные и присоединительные размеры (фланец. 225S-315M)

Габарит

Полюса

Тип

P

a1

N

b1

LA

c1

M

e1

T

f1

LE

i2

S

s2

Z

z1

AC

g1)

AQ

J

L

k

L

k2)

LC

k13)

LM

k2

LM

k22)

HH

o1

AD

P

AH

p3

225S…220

4 и 8

А450

450

350

16

400

5

140

17.5

8

470

425

835

-

954

935

-

174

375

580

225M…223

2

4 или 8

450

350

16

400

5

110

17.5

8

470

425

805

835

855

-

924

954

905

935

955

174

375

580

250M…253

2

4 или 8

А550

550

450

18

500

5

140

17.5

8

520

470

930

1010

-

1050

1080

1030

1110

-

207

480

645

280S…280

2

4 или 8

А550

550

450

18

500

5

140

17.5

8

575

525

1005

1080

-

1155

1115

1230

-

220

490

700

280M…283

2

4 или 8

550

450

18

500

5

140

17.5

8

575

525

1005

1080

-

1155

1115

1230

-

220

490

700

315S…310

2

4 или 8

660

660

550

22

600

6

140

170

22

8

645

590

1110

1140

1185

-

1260

1290

1220

1250

1295

-

248

555

805

315M…313

2

4 или 8

660

550

22

600

6

140

170

22

8

645

590

1110

1140

1185

-

1260

1290

1220

1250

1295

-

248

555

805

ТАБЛИЦА 3.

Габарит

AG

R

AS

r2

O

S3

BE

x

LL

x1

HK

x4

AG

y

D

d

DB

d6

E

I

GA

T

F

u

DA

d1

DC

d7

EA

I1

GC

t1

FA

U1

225S

155

100

M50*1.5

85

197

148

315

60

M20

140

64

18

55

M20

110

59

16

225M

155

100

M50*1.5

85

197

148

315

55

M20

60

110

140

59

64

16

18

48

55

M16

M20

110

51.5

59

14

16

250M

200

120

M63*1.5

95

234

193

385

60

M20

65

140

64

69

18

55

60

M20

110

140

59

64

16

18

280S

200

120

M63*1.5

95

234

193

395

65

M20

75

140

69

18

79.5

60

20

M20

65

140

64

18

69

280M

200

120

M63*1.5

95

234

193

395

65

M20

75

140

69

18

79.5

60

20

M20

65

140

64

18

69

315S

250

135

M63*1.5

90

266

225

435

80

65

M20

170

140

85

69

22

18

70

60

M20

140

74.5

64

20

18

315M

250

135

M63*1.5

90

266

225

435

65

80

M20

140

170

69

85

18

22

60

70

M20

140

64

74.5

18

20

ТАБЛИЦА 4.

Габаритные и присоединительные размеры (фланец. 225S-315M)

РИС 3. Габаритные и присоединительные размеры (фланец. 225S-315M)

Габарит

Полюса

Тип

P

a1

N

b1

LA

c1

M

e1

T

f1

LE

i2

S

S2

Z

z1

B

a

B

a

A

b

HA

c

BB

e

AB

f

AC

g1)

H

h

L

k

L

k2)

LC

k13)

BA

M

BA

m1

225S…220

4 и 8

А450

450

350

16

400

5

140

17.5

8

286*

311

356

34

361

436

470

225

835

-

954

85

110

225M…223

2

4 или 8

450

350

16

400

5

110

140

17.5

8

286

311*

356

34

361

436

470

225

805

835

855

-

924

954

85

110

250M…253

2

4 или 8

A550

550

450

18

500

5

140

17.5

8

349

-

406

42

409

506

520

250

930

1010

-

1050

1080

100

100

280S…280

2

4 или 8

A550

550

450

18

500

5

140

17.5

8

368*

419

457

42

479

557

575

280

1005

1080

-

1155

100

151

280M…283

2

4 или 8

550

450

18

500

5

140

17.5

8

368

419*

457

42

479

557

575

280

1005

1080

-

1155

100

151

315S…310

2

4 или 8

A660

660

550

22

600

6

140

170

22

8

406*

457

508

52

527

645

645

315

1110

1140

1185

-

1260

1290

125

171

315M…313

2

4 или 8

660

550

22

600

6

140

170

22

8

406

457*

508

52

527

645

645

315

1110

1140

1185

-

1260

1290

125

171

ТАБЛИЦА 5.

Габарит

AA

n

HD

p

AD

p1

AG

r

AS

r2

K

s

K

s1

O

s3

HB

v

HB

v

C

w1

CA

w2

BE

X

LL

x1

BC

x3

HK

x4

AG

y

D

d

DB

d6

E

I

GA

T

F

u

DA

d1

DC

d1

EA

I1

GC

t1

FA

u1

225S

80

600

375

155

100

19

25

M50*1.5

540

70

149

269

85

197

25

104

320

60

M20

140

64

18

55

55

110

59

16

225M

80

600

375

155

100

19

25

M50*1.5

540

70

149

-

85

197

25

104

320

55

60

M20

110

140

59

64

16

18

48

55

48

55

110

51.5

59

14

16

250M

100

715

465

200

120

24

30

M50*1.5

620

50

168

283

95

234

39

155

385

60

55

M20

140

64

69

18

55

60

55

60

110

140

59

64

16

18

280S

100

770

490

200

120

24

30

M50*1.5

675

80

190

317

95

234

30

155

410

65

75

M20

140

69

79.5

18

20

60

65

60

65

140

64

69

18

280M

100

770

490

200

120

24

30

M50*1.5

675

80

190

-

95

234

30

155

410

65

75

M20

140

69

79.5

18

20

60

65

60

65

140

64

69

18

315S

120

870

555

250

135

28

35

M50*1.5

750

65

216

358

90

266

32

180

475

65

80

M20

140

170

69

85

18

22

60

70

60

70

140

64

74.5

18

20

315M

120

870

555

250

135

28

35

M50*1.5

750

65

216

-

90

266

32

180

475

80

65

M20

170

140

85

69

22

18

70

60

60

140

74.5

64

20

18

ТАБЛИЦА 6.

Технические характеристики 1MG7