INFO@MEHPRIVOD.RU
ООО Мехтехника
Тел.: 8 (800) 505-36-88

Логический модуль с дисплеем Siemens LOGO! 24

Логический модуль с дисплеем Siemens LOGO! 24

Характеристики модуля Siemens LOGO! 24 6ED1052-1CC00-0BA6:

  • Питание: 12В;
  • Дискретные входы: 8 (4 могут выполнять функции аналоговых);
  • Дискретные выхода: 4 (отдача тока, транзисторные);
  • Особенности памяти: 200 блоков;
  • Дополнительные возможности: расширение функционального потенциала модулями ввода/вывода.

Цена: от 3 864 руб.

Общее описание

Устройство LOGO! 24:

Устройство LOGO!24

  • 1 - источник питания
  • 2 - входы
  • 3 - выходы
  • 4 - гнездо под модуль, оснащенный крышкой
  • 5 - панель, посредством которой реализуются опции управления
  • 6 - дисплей
  • 7 - разъем для кабеля типа LOGO!TD
  • 8 - интерфейс расширения
  • 9 – опции механического кодирования - гнёзда

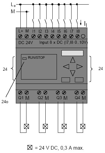
Схема подключения и максимальная конфигурация LOGO!24

Схема подключения LOGO!24

Оборудование поддерживает 24 цифровых входов, 8 аналоговых входов, а также 16 цифровых и 2 аналоговых выхода. Для достижения параметров, характерных для максимальной конфигурации, используют нижеприведенную методику:

  • Максимальная конфигурация с аналоговыми входами – 4входа (LOGO!12/24RC/RCo и LOGO!24/24o)

Максимальная конфигурация LOGO!

  • Максимальная конфигурация модулей LOGO! с аналоговыми входами (используется 2 входа (LOGO! 12/24 RC/RCo и LOGO !24/24o).

Максимальная конфигурация LOGO!24

Специфика монтажа модуля LOGO!24

Монтаж модуля LOGO!24

Монтаж модуля LOGO!24

Поэтапный монтаж на DIN-рейку:

  • 1. На первом этапе осуществления монтажных работ следует навесить модуль Siemens LOGO! 24 на рейку;
  • 2. Путем нажимания на нижнюю часть, срабатывает специальная защелка модуля, выполняется надежная его фиксация (защелка расположена на задней части прибора);
  • 3. С правой стороны модуля находится крышка разъема, которую необходимо снять;
  • 4. С правой стороны от LOGO!Basic помещается модуль на DIN-рейку;
  • 5. Перемещаем модуль в левую сторону таким образом, чтобы последний контактировал с LOGO!Basic;
  • 6. Посредством отвертки защелка отодвигается влево, после чего она должна занять крайнее левое положение.

Монтаж дополнительного оборудования выполняется путем поэтапного повторения всех пунктов, относящихся к монтажу цифрового модуля.

Поэтапный монтаж на стену:

Аккуратно переместите монтажные защелки наружу, как правило, они расположены на задней стенки устройства. Непосредственно монтаж модуля выполняется при помощи двух монтажных защелок и двух винтов ØM4 (момент затяжки 0,8-1,2Нм).

Технические характеристики LOGO!24:

Источник питания:
Параметры входного напряжения 24В (ток постоянный)
Допустимый диапазон 20.4 ... 28,8В (ток постоянный)
Защита от обратной полярности Присутсвует
Потребление тока - 24В (ток постоянный) 0 ... 75мА;  0,3А на выход
Потери мощности - 24В (ток постоянный) 1.0 ... 1,8Вт
Цифровые входы:
Количество входов 8
Потенциальная развязка Нет
Количество быстродействующих входов 4 (I3, I4, I5, I6)
Параметры входной частоты: Нормальный вход Быстродействующий вход макс. 4Гц макс. 5кГц
Параметры входного напряжения L+: Сигнал 0 Сигнал 1 < 5В (ток постоянный) > 12В (ток постоянный)
Входной ток при условии: 1) сигнале 0
2) сигнале 1
1) <0,85 мА (I1...I6) < 0,05мА (I1, I2, I7, I8) 2) >2 мА (I3... I6) > 0,15мА (I1, I2, I7, I8)
Время задержки при: переходе от 0 к 1 переходе от 1 к 0 тип. 1,5 мс
<1,0 мс (I3 ... I6) тип. 1,5 мс
<1,0 мс (I3 ... I6
Аналоговые входы:
Количество 2 (I7 = AI1, I8 = AI2)
Диапазон 0 ... 10В (ток постоянный)
входной импеданс 78 кОм
Время цикла, за которое происходит формирования аналоговых значений 300мс
Входное напряжение (max) 28,8В (ток постоянный)
Длина линии (экранированная витая пара) 10м
Цифровые выходы:
Количество 4
Характеристика выходов Транзисторный,
с включением на фазу
Потенциальная развязка нет
Управление цифровым входом да
Выходное напряжение Питающее
Выходной ток 0,3A (max)
Устойчивость к коротким замыканиям и перегрузкам Высокая эффективность
Ограничение тока короткого замыкания ок. 1A
Понижение номинала нет; во всем диапазоне температур
Параллельное включение выходов для увеличения мощности Не допускается
Частота включений:
электрическая 10Гц
омическая/ламповая нагрузка 10Гц
индуктивная нагрузка 0,5Гц